FX5-8AD型多输入模块的使用
概述 FX5-8AD型多输入模块是将8点模拟输入(电压、电流、热电偶、测温电阻体)转换成数字值的智能功能模块。 可扩展到FX5 CPU模块上,获取8通道的电压/电流/热电偶/测温电阻体数据。
规格 ❶电源规格 ❷性能规格 *1.2CH变换模式的时,变为1ms/2ch。 *2.与FX5UC CPU模块连接时,需要FX5-CNV-IFC或FX5-C1PS-5V。 ❸电压·电流输入规格
热电偶输入规格
测温电阻体输入规格
❹输入转换特性 A/D转换的输入转换特性是指将来自可编程控制器外部的模拟信号(电压或电流)转换成数字输出值时,连接偏置值和增益值的直线的斜率。 偏置值:数字输出值为0的模拟输入值(电压或电流)。 增益值:数字输出值为32000的模拟输入值(电压或电流)。 V:模拟输入电压(V)(模拟输入实际范围) *1.用户范围设置的偏置值、增益值应在满足下述条件的范围内设置。不满足下述条件时,可能无法正常进行A/D转换。 偏置值、增益值的设置范围:-10~+10V ((增益值)-(偏置值))≥4V *2.超出数字输出值范围进行模拟输入时,数字输出值固定为最 大或最小。 I:模拟输入电流(mA)(模拟输入实际范围) *1.用户范围设置的偏置值、增益值应在满足下述条件的范围内设置。不满足下述条件时,可能无法正常进行A/D转换。 增益值≤20mA,偏置值≥0mA ((增益值)-(偏置值))≥16mA *2.超出数字输出值范围进行模拟输入时,数字输出值固定为最 大或最小。
配线 ❶电源连接器的排列 ❷端子排列
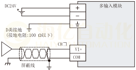
❸电压·电流输入规格 电压、电流输入的情况下
热电偶输入的情况下
测温电阻体输入的情况下
参数设置 ❶模块的添加 ❷应用设置方法
程序编写
总结 ❶FX5-8AD是一款功能强大、性能稳定、安全性高的多输入模拟模块,可以对应电压、电流、热电偶、测温电阻体等信号的输入。 ❷采用弹簧夹终端连接方式,方便信号连接。
END
(注:本文为“海亿自动化”原创文稿,如需转载,请标明出处并附上原文链接)
了解更多 请关注我们
更多内容说明或案例详情可留言或来电咨询~ 我司为广大三菱用户提供相应技术服务!